





发布时间:2026-03-16 点击数:0
你知道吗?同样是 USB 接口,有的传文件如飞,有的却慢如蜗牛,这背后藏着 PCB 布局布线的大学问。今天就带大家深入了解 USB2.0、USB3.0 和 Type-C 接口的 PCB 设计奥秘,看完你就明白为啥有的设备总 “掉链子” 了。
USB2.0 和 USB3.0 在传输性能上有着明显差距:USB2.0 传输速率高达 480Mbps,而 USB3.0 的最大传输带宽能达到 5Gbps,并且引入了全双工数据传输模式。
想要搞懂它们的 PCB 设计,先得认识它们的 “身份标识”—— 管脚定义。
USB 2.0与USB 3.0管脚定义
从图中能清晰看到,USB3.0 相比 USB2.0,多了 RX-、RX+、TX-、TX + 等高速数据传输相关的管脚,这也是它能实现高速传输的重要基础。
一、USB 接口的 PCB 布局:基础打不好,传输易 “掉链子”
布局是 PCB 设计的基础,这一步没做好,后续再怎么优化都可能事倍功半。
二、USB 接口的 PCB 布线:细节决定传输 “战斗力”
布线就像给信号 “铺路”,路铺得好不好,直接影响信号传输的速度和稳定性。
外壳GND和信号GND的隔离
图中清晰展示了外壳 GND(保护地)和信号 GND 的隔离要求,2mm 的间距就像一道 “安全线”,能减少相互干扰。
再看看 USB2.0 与 3.0 在 PCB 布线要求上的具体差异:
USB2.0与USB 3.0的PCB布线要求
从表格能清楚看出,USB3.0 在差分对内最大时延差、过孔数量等方面的要求比 USB2.0 更严格。比如差分对内最大时延差,USB2.0 要求 < 20mil,USB3.0 则要求 < 6mil,这也体现了 USB3.0 对高速传输的高标准。
下面两张图分别展示了 USB 2.0 和 USB 3.0 的布局与布线情况,能更直观地感受到它们的设计特点。
USB 2.0的布局与布线
USB 3.0的布局与布线
三、Type C 接口的 PCB 设计:更纤薄,更强大,设计有讲究
USB Type C(USB-C)接口凭借纤薄的设计、最高 10Gbps 的传输速度和最高 100W 的电力传输能力,以及双面可插的特点,在各类设备中应用越来越广泛。但要注意,Type-C 只是接口形式,和 USB 版本没关系。
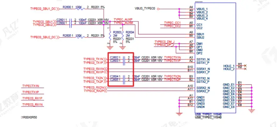
先来看 Type-C 接口的管脚定义:
Type C接口的管脚定义
从图中能看到 Type-C 接口管脚众多,功能丰富,包含了高速数据传输路径、USB 2.0 接口等相关管脚。
Type C 接口的 PCB 设计有这些要点:
TX信号线的耦合电容
图中展示了 TX 信号线耦合电容的放置位置,靠近接口才能更好地发挥作用。
另外,当 Type-C 连接器工作速率≥8Gbps 时,要按照相关连接器优化建议设计处理。
Type-C连接器布线示意
图中展示了 Type-C 连接器布线的相关情况,能帮助我们更好地理解其布线设计。
看完这些,是不是对 USB2.0、USB3.0 和 Type-C 接口的 PCB 设计有了更清晰的认识?原来小小的接口背后,藏着这么多设计学问,正是这些细节,决定了我们使用设备时的传输体验。下次再用 USB 设备,你是不是也能多一份 “专业视角” 呢?